自擠螺釘斷裂失效分析
自擠螺釘規格為40×12-Z,材質為SAE1022,表面滲碳處理,滲碳層厚度要求0.05~0.18mm ,表面電鍍藍白鋅。
用于固定汽車方向盤某部件,裝配完成交付時,發現螺釘斷裂,頭部脫落。
取斷裂螺釘一件及部分完好螺釘進行分析,斷裂螺釘和完好螺釘的宏觀形貌,見圖12-34。
(1)螺釘宏觀檢查
螺釘斷裂位置位于頭下第一牙,為應力最大處,表面未發現可見缺陷;斷口未發現冶金缺陷,見圖12-35所示。
圖12-34 斷裂與未斷螺釘宏觀形貌 圖12-35 斷裂螺釘斷面宏觀形貌
(2)掃描電鏡斷口檢查
斷口掃描電鏡低倍檢查,斷口平齊,無宏觀塑性變形,見圖12-36。
圖12-36 斷口宏觀形貌
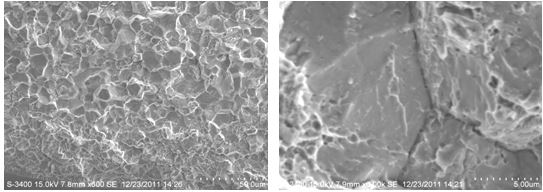
斷口掃描電鏡微觀檢查,斷口邊緣與心部的微觀形貌不相同,斷口邊緣為典型的冰糖狀沿晶斷口,并有晶間二次裂紋,放大后可見晶面上有明顯雞爪痕,見圖12-37、圖12-38。
螺釘心部斷口形貌,表現為準解理斷裂特征,見圖12-39。
(3)材質成分化學分析
采用電感耦合等離子發射光譜法(ICP)對螺釘進行化學成分分析,分析結果,螺釘基體材料符合《SAE J430-2001》標準中SAE1022鋼的要求。
(4) 氫含量測定
取斷裂試樣殘件和完好試樣進行氫含量測定,測定結果:斷裂件氫含量11.5 ppm;完好件氫含量4.2 ppm。
圖12-37 斷口微觀冰糖狀形貌 圖12-38 晶面上有明顯雞爪痕
圖12-39 斷口心部微觀形貌
(5)金相檢查
對螺釘進行金相檢查,螺釘牙底有折疊缺陷,位置大致位于每個牙底的相同部位,但斷口并不位于折疊處。另外,在隨機挑選的一件完好螺釘上也發現了同樣的折疊,且折疊開口處均有鍍層,推測該折疊是由搓絲板上的缺陷所造成,見圖12-40所示。
圖12-40 螺釘表面折疊缺陷
將斷裂螺釘沿軸向剖開制成金相試樣,用4%硝酸酒精溶液腐蝕,可見其組織為索氏體,無明顯夾雜偏析等缺陷,見圖12-41。
螺釘表面有滲碳層組織,可見螺紋部位已完全滲碳,牙底處滲碳層厚度大約為0.25mm,見圖12-42。
圖12-41 螺釘心部金相組織 圖12-42 螺釘表面滲碳層組織
(6)滲碳層硬度法確定滲碳層厚度
采用硬度法確定滲碳層厚度,根據《GB/T 3098.5-2000》標準中滲碳層厚度仲裁試驗—硬度法進行測試,以超過心部實際硬度30HV處開始計算滲碳層厚度,以心部實際硬度350HV10為依據,滲碳層厚度為0.22mm,高于技術指標要求的最大值0.18mm,試驗結果如圖12-43所示。
圖12-43 滲碳層厚度測試
(7)氫脆試驗
為驗證螺釘氫脆傾向,根據《GB/T 3098.17-2000》進行氫脆預載荷試驗。螺釘經保載48h預載荷試驗后檢查,未發現螺釘斷裂,但多處螺紋部位已開裂,如圖12-44。
對預載荷試驗后已開裂的螺釘進行檢查:
開裂的斷口掃描電鏡觀察,高倍可見斷口為沿晶斷裂形式,有二次裂紋,有明顯雞爪痕,如圖12-45所示。
圖12-44螺釘開裂宏觀形貌 圖12-45開裂斷口微觀形貌
10.9級螺栓(釘)的氫含量在10.0ppm以上,在應力作用下就會產生氫致裂紋,引起氫脆斷裂,螺栓(釘)氫含量越高,越容易引發氫致裂紋。
該斷裂螺釘的斷口平齊,斷口近表面滲碳層區域微觀形貌以冰糖狀沿晶斷裂為主,晶面上有大量雞爪形撕裂紋;心部為準解理形貌,這些都是氫脆斷裂的典型特征。預載荷試驗也表明螺釘滲碳層是氫脆敏感區域。
鋼的強度越高,所受應力越大則氫脆敏感性就越高。氫脆斷裂是緊固件產品失效機理中比較常見的一種,是零件在低于材料屈服極限的靜應力作用下導致的失效。它是由于氫滲入金屬內部導致的損傷,它無征兆,具有突發性,因此,氫脆斷裂具有極大的破壞性。
該批螺釘在制作過程中經歷酸洗電鍍工藝,致使氫進入其中,電鍍后沒有除氫或除氫不徹底,使螺釘的氫含量較多。在載荷的作用下,氫含量較多的螺釘,其應力較大部位的頭下第一牙處,容易形成氫的局部高濃度偏聚,氫致裂紋萌生并向內擴展,最終導致螺釘斷裂。
根據以上分析,可以得出如下結論與啟示:
(1)螺釘的斷裂性質是氫致延遲斷裂;
(2)滲碳螺釘電鍍后要及時除氫,除氫溫度、時間要滿足除氫工藝要求。






浙公網安備 33042402000106號 a>

