SWRCH35K螺栓頭部弧形裂紋
取3件裂紋件進行宏觀檢查,3件故障件均在螺栓六角頭端面上的凸臺上有弧形裂紋,如圖13-48所示。
圖13-48 頭部凸臺上有弧形裂紋件
螺栓裂紋均處于頭部凸臺處,呈圓形或由幾條圓弧形裂紋交錯而成,裂紋大致與頂部圓形凹面同心。
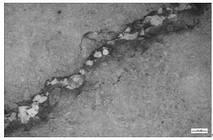
將試樣縱向切開,觀察到裂紋附近晶粒流線正常,裂紋由上向下擴展,一直延伸到頭部下方,某些部位有分支小裂紋,裂紋的線條剛健有力,尾端尖細,如圖13-49所示。
圖13-49 裂紋處縱向截面低倍組織
將裂紋件的裂紋打開,對裂紋表面進行掃描電鏡觀察和能譜成分分析。裂紋表面為典型的冰糖狀沿晶開裂,表面有輕微氧化,見圖13-50。
對裂紋件進行低倍缺陷及流線檢查,用線切割將試樣頭部端面切除兩毫米取頭部橫截面,將另一試樣沿軸線剖開取縱向截面,將試樣置于1:1鹽酸水溶液中熱浸蝕,觀察螺栓的低倍組織缺陷及流線。
螺栓頭部橫截面的低倍組織,可見螺栓中心部位存在針孔狀疏松,而邊緣部位因經過鐓打,大部分疏松已被鍛合,但靠近邊緣部位的裂紋較明顯,裂紋附近未發現低倍缺陷,圖13-51所示。
螺栓頭部縱向試樣經酸蝕后,頭部流線沿外形分布,流線合格,如圖13-52。
圖13-50 裂紋表面掃描電鏡分析
圖13-51 螺栓頭部低倍組織
圖13-52 螺栓頭部流線
對螺栓頭部進行金相檢查, 螺栓頭部凸臺處的金相組織,為回火索氏體,見圖13-53。
螺栓頭部凸臺處表面金相組織,表面脫碳,脫碳層厚度約為0.1mm,見圖13-54。
圖13-53 螺栓凸臺處的金相組織 圖13-54 螺栓凸臺處表面的金相組織
裂紋處的金相檢查,裂紋兩側組織均為回火索氏體,未見碳勢異常,無脫碳,見圖13-55(裂紋處的白灰色顆粒為制樣時留下的異物)
圖13-55 裂紋兩側金相組織
對斷裂件不同部位進行顯微硬度梯度試驗,檢測結果:頭部凸臺處表面硬度梯度,結果顯示,在距表面1mm范圍內硬度低于250HV,這是由于該處表面脫碳所致,心部硬度為350HV左右。
對斷裂件進行夾雜物檢查,根據GB/T 10516-2005標準進行評定,試樣中存在輕微D類(球狀氧化物)夾雜,但夾雜物較為分散,并未見在裂紋附近偏聚,如圖13-56所示。
圖13-56 裂紋附近夾雜物
用直讀光譜法對斷裂件進行化學成分分析,其化學成分符合JIS G3507.1-2005標準中SWRCH35K鋼的要求。
13.6.3 結論與啟示
裂紋件的裂紋與材質、硬度、金相組織、夾雜物等無關。與頭部成型和切六方應力、熱處理有關。
該批螺栓頭部變形大,由于設計成一凹面,在凹面與凸臺過度處易造成應力集中。頭部經冷鐓變形后沖切六方成型,由于螺栓頭部變形大,六方沖切后在凸臺處的變形應力過大,經熱處理后在凸臺處產生淬火裂紋。
裂紋走勢剛健有力,尾端尖細,裂紋兩側組織無異常,無脫碳,該裂紋為淬火是形成的裂紋 。
對裂紋表面進行掃描電鏡觀察和能譜成分分析,裂紋表面為典型的冰糖狀沿晶開裂,表面有輕微氧化,也進一步確定該裂紋為淬火裂紋。
如果故障件裂紋是在淬火前就有的,則故障件經淬火后的裂紋就會有氧化,兩側組織就會有一些異常,另外,故障件表面已有脫碳,裂紋兩側組織也會有脫碳,但該故障件裂紋無脫碳,裂紋兩側組織也無差異,說明了該裂紋為淬火裂紋。
13.6.3 結論與啟示
(1)螺栓頭部凹面外側凸臺上的弧形缺陷為淬火裂紋。
(2)螺栓頭部變形大成型后內應力過大,熱處理前需要去除內應力,建議這類螺栓,頭部成型后采用去內應力回火,然后在進行熱處理。






浙公網安備 33042402000106號 a>

