起抓螺栓裂紋斷裂原因失效分析
起動爪螺栓,規格M16×1.5×45 ,材料45鋼。安裝時發現部分螺栓在螺紋處斷裂。
螺栓生產加工工序為熱鍛—機加工—調質—滾絲—表面處理。
14.11.1 試驗過程與結果
失效件斷口宏觀檢查:斷裂件斷口粗糙,無塑性變形痕跡,斷口形貌見圖14-74。
采用掃描電鏡對失效件斷口進行觀察:
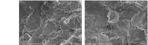
失效件斷口整個斷面粗糙,為冰糖狀沿晶形貌,見圖14-75。
失效件斷口微觀形貌,晶粒圓鈍,晶界上出現孔洞,心部較少。邊緣較多,見圖14-76、圖14-77。
圖14-74 失效件宏觀形貌 圖14-75 失效件斷面微觀形貌

圖14-76 失效件斷口低倍形貌 圖14-77 失效件斷口低倍形貌
失效件金相組織檢查:
失效件橫截面的金相試樣拋光態低倍組織,試樣中心有明顯裂紋,見圖14-78。
失效件橫截面金相試樣拋光狀態,試樣邊緣可見大量孔洞及氧化晶界,見圖14-79。

圖14-78 失效件拋光態低倍組織 圖14-79 失效件拋光態顯微組織
取一件安裝沒有斷裂的螺栓,進行金相檢查,金相組織與斷裂件組織不同;試樣拋光狀態沒有發現孔洞及氧化晶界;金相組織為回火索氏體,見圖14-80。

圖14-80 沒有斷裂螺栓顯微組織
采用直讀光譜法對螺栓化學成分分析,分析結果,符合《GB/T699-1999》標準中對45鋼的要求。
14.11.2 分析與討論
失效件化學成分分析符合標準要求,失效與材質無關。
安裝沒有斷裂的螺栓,金相組織沒有未發現孔洞及氧化晶界;金相組織為回火索氏體,說明安裝沒有斷裂的螺栓,其熱鍛加熱溫度和調質溫度斗滿足工藝要求。
電鏡掃描組織為沿晶裂紋和晶粒上分布有孔洞;失效件斷面均呈冰糖狀沿晶形貌,晶粒邊緣圓鈍,晶界上有孔洞;其拋光組織中斷口邊緣存在大量的不規則孔洞及氧化晶界,說明失效件存在有過燒缺陷。
過燒是由于鋼材加熱溫度過高而導致的晶界熔化、氧化現象。鋼材出現過燒后,其結晶組織遭到破壞,失去金屬應具有的塑性和強度,易折斷和碎裂,且過燒為不可恢復缺陷,出現過燒后工件只能報廢。
該螺栓的過燒與熱鍛和調質有關,當熱鍛溫度過高,或調質淬火溫度過高都會造成過燒。但兩種過燒組織一般都與區別,淬火溫度過高,產品整批都過燒;而熱鍛過燒,主要是現場操作控制溫度有誤,只是單個或部分,在工藝正常情況下整批不會出問題。
該批螺栓頭部成型采用熱鍛工藝成型,當單個或部分螺栓熱鍛溫度超高時就會產生過燒,過燒螺栓在現場沒有及時挑出,就會流入下道工序。
該失效件邊緣有大量孔洞及氧化晶界,邊緣比心部嚴重,說明螺栓過燒為熱鍛溫度超高造成。
該故障螺栓未發現有開裂現象,但在安裝時斷裂;斷裂件經電鏡掃描結果,斷裂是組織過燒造成。而該批螺栓安裝時只發現個別件斷裂。
該批螺栓因過燒引起的斷裂不是普遍現象,只是是個別現象,由此可排除熱處理環節造成的過燒。因該批螺栓采用熱鍛工藝成型,個別螺栓在熱鍛過程中加熱溫度控制不當很容易導致過燒,過燒螺栓因熱鍛時沒有開裂,流入下道工序,熱鍛過燒的螺栓在安裝時斷裂。
14.11.3 結論與啟示
(1)個別螺栓由于在熱鍛過程中加熱溫度控制不當導致過燒,產生熱鍛過燒的螺栓在安裝時發生斷裂。
(2)螺栓頭部采用熱鍛工藝成型時,一定要控制熱鍛溫度,防止螺栓熱鍛溫度超高。
(3)加強熱鍛工序檢查,挑出開裂件;但對極個別加熱溫度異常件,即使不開裂件也要挑出,防止流入下道工序,造成質量隱患。






浙公網安備 33042402000106號 a>

