汽車六角頭螺栓斷裂失效檢測
10.9級軸承調隙螺栓,規格為M20×65,40Cr鋼制作,表面達克羅處理。螺栓安裝在車輛前軸與軸承擋板上用于固定軸承調隙組片。共安裝六枚螺栓,安裝扭矩為390-400N•m,采用鎖止鋼絲鎖緊,車輛服役3435小時后軸承損壞,軸承內圈掉出輪轂,前軸端部下方磨損嚴重,六顆螺栓全部斷裂。
15.4.1 試驗過程與結果
從前軸里面取出的一件(半截螺栓),另取2件完好件,分析斷裂原因。
首先從螺栓安裝圖觀察,斷裂螺栓的安裝位置在用于固定軸承調隙組片的軸承擋板上,見圖15-17。
(1)故障件檢查
螺栓斷裂殘件及兩件完好件,宏觀形貌如圖15-18。
斷裂發生于螺紋牙底,見圖15-19。
斷口穿過相鄰兩個螺紋的牙底和牙頂,斷面光亮呈金屬本色,未見明顯腐蝕產物及冶金缺陷,斷口附近可見明顯宏觀剪切塑性變形,斷口宏觀形貌,見圖15-20。
圖15-18 完好件與斷裂件宏觀形貌
圖15-19 螺紋牙底斷裂宏觀形貌 圖15-20 斷口宏觀形貌
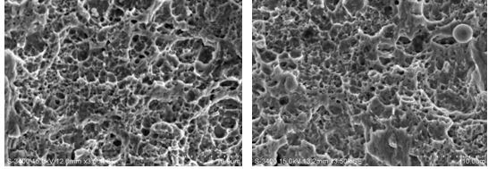
(2)掃描電鏡觀察
斷口上有剪切斷裂形貌特征,見圖15-21。
從斷裂源處至總終斷區,微觀組織形貌主要分別為剪切韌窩、剪切與等軸混合韌窩、等軸韌窩。
剪切韌窩形貌,見圖15-22;剪切與等軸混合韌窩形貌,見圖15-23;
等軸韌窩形貌,見圖15-24。
圖15-21 剪切斷裂形貌特征 圖15-22 剪切韌窩形貌特征
圖15-23 剪切與等軸混合韌窩形貌 圖15-24等軸韌窩形貌
(3)性能試驗與化學分析
取該批完好螺栓進行拉伸強度和硬度檢測,檢測結果:拉伸強度1194 MPa(標準要求≥1040MPa);心部硬度328~337 HV10(標準要求320~380)
拉伸強度和硬度符合《GB/T 3098.1-2010》標準規定10.9級螺栓的要求。
采用直讀光譜法對螺栓進行化學成分分析,分析結果,化學成分符合《GB/T 3077-1999》標準40Cr鋼要求。
(4) 金相組織檢查
對斷裂螺栓金相組織檢查,心部金相組織為均勻回火索氏體組織,見圖15-25。
圖15-25 回火索氏體組織
螺紋處金相組織碳勢正常(圖中白亮帶為鍍層),牙頂與牙底均未發現不連續性缺陷;見圖15-26。
對斷裂件螺紋牙底的金相組織放大高倍檢查,牙底有微裂紋存在,且微裂紋外側鍍層已經破壞,說明微裂紋是在螺栓安裝或服役過程中產生的,見圖15-27。
斷裂螺栓的非金屬夾雜物檢查,根據《GB-T 10561-2005 鋼中非金屬夾雜物含量的測定標準》評定,非金屬夾雜物為D類球狀氧化物(細系)1.5級,圖15-28。
圖15-26 螺紋處金相組織 圖15-27螺紋牙底金相高倍組織
圖15-28 斷裂螺栓非金屬夾雜物
15.4.2 綜合分析
斷裂螺栓的金相組織、化學成分、心部硬度、抗拉強度等均符合標準要求,斷裂與材質及熱處理無關。
斷裂螺栓斷口存在明顯宏觀剪切變形,斷面微觀形貌為大面積韌窩形貌,說明螺栓是在剪切力作用下發生的韌性斷裂。
斷口形貌檢查發現螺紋底部存在微裂紋,微裂紋外側鍍層已破壞,說明螺栓在安裝或服役之前是完好的,微裂紋只能是在成品螺栓安裝或服役過程中產生。
該螺栓為軸承調隙螺栓,安裝在車輛前軸與軸承擋板上用于固定軸承調隙片組,共六枚螺栓。車輛服役3435小時后發現軸承損壞,軸承內圈掉出輪轂,前軸端部下方磨損嚴重,六顆螺栓全部斷裂。斷裂發生于螺紋牙底,斷口穿過相鄰兩個螺紋牙底和牙頂,斷面光亮呈金屬本色,斷口新鮮,無可見腐蝕產物及冶金缺陷;斷口附近可見明顯剪切塑性變形,說明螺栓曾有過載情況。斷口新鮮,說明微裂紋是在螺栓安裝或服役過程中產生的,當螺栓在工作中受到較大的外力作用時,發生瞬間剪切斷裂。
車輛前軸端部下方磨損嚴重,說明在軸承破壞及螺栓斷裂前,車輛已經在非正常情況下服役了較長時間,當軸承破壞后,螺栓在外力作用下發生了過載斷裂。
15.4.3 結論與啟示
(1)當螺栓在工作中受到較大的剪切外力作用時,發生瞬間剪切斷裂。
(2)車輛在非正常情況下服役了較長時間,當軸承破壞時螺栓受到較大的剪切外力作用,在剪切外力作用下發生了剪切斷裂。
(3)車輛在使用過程中一定要注意異常情況,要及時檢修與維護,使車輛在完好情況下工作。






浙公網安備 33042402000106號 a>

