六角頭螺栓斷裂試驗分析
六角頭螺栓,規格為M12×120,強度8.8級,材料40Cr ,鍍黃鋅。螺栓在安裝過程中斷裂,且破斷時施擰的扭矩值很小,螺栓均斷于頭桿處。
試驗過程與結果
斷裂件表面為黃色,螺紋長度約為37mm,頭桿處斷裂,見圖13-10。
圖13-10 斷裂螺栓形貌
六角頭螺栓在靠近頭下圓角處斷裂,螺栓頭部一側斷口和桿部一側斷口均呈現月牙狀,為陳舊斷口,有紅褐色物質覆蓋,區域斷面比較平滑。
桿部一側斷口紅褐色物質較多較致密,頭部一側斷口紅褐色物質相對較少。
頭部和桿部斷口非月牙狀區域為新鮮斷口,沒有紅褐色物質,具有金屬光澤,部分區域有輕微磕碰痕跡。
桿部一側的新鮮斷口有部分塑性變形現象,見圖13-11(a、b)所示。
a a頭部斷口 b 桿部斷口
圖13-11 斷口宏觀形貌
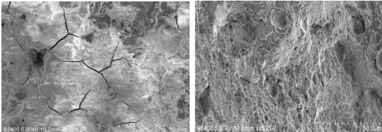
將斷口試樣進行超聲波清洗后采用掃描電鏡中觀察:呈月牙狀區域的斷口斷面上,靠近外園的大部分區域有一層致密的小顆粒附著,顆粒物質分布比較均勻,見圖13-12。
呈月牙狀靠近中心的部分區域,其顆粒附著物較少,晶界表面有腐蝕的痕跡,見圖13-13,個別區域存在晶間裂紋,見圖13-14。
非月牙狀斷口區域,無腐蝕和顆粒附著物,微觀形貌為韌窩,韌窩大小不一,見圖13-15。
圖13-12 月牙狀區域微觀形貌 圖13-13 晶界表面腐蝕跡象
圖13-14 晶間裂紋形貌 圖13-15 斷口韌窩形貌
使用能譜儀對斷面進行成分檢測,在呈月牙狀區域斷口表面上的顆粒附著物,主要化學成分為鐵、碳、鋅、氧成分,還有少量的硅,其他成分比較少,見圖13-16。
在非月牙狀區域斷口表面的主要成分為鐵、碳、氧成分,見圖13-17。
螺栓化學成分分析,將截取段進行化學成分分析,其螺栓頭部、桿部、螺紋部分的化學成分分析結果基本相同,螺栓材料40Cr。
將斷件桿部沿軸向剖開進行硬度梯度檢測,硬度梯度從距離桿部表面0.05mm處開始,每隔0.5mm進行一個顯微硬度檢測,檢測結果為280~305HV10,硬度值比較平穩,沒有特別的硬度跳動。
圖13-16月牙狀區域斷面成分截圖 圖13-17 非月牙狀區域斷面成分截圖
并對斷裂螺栓桿部和螺紋處進行組織檢查,組織均為均勻的回火索氏體組織,沒有明顯的脫碳和滲碳現象,見圖13- 18。
圖13-18 螺栓回火索氏體組織
分析與討論
斷口宏觀和微觀檢查,斷口兩個區域的斷裂機理不完全一樣,呈月牙狀區域的斷口氧化腐蝕比較嚴重,存在晶間裂紋,為脆性斷裂。非月牙狀區域為新鮮斷口,無銹蝕,微觀形貌主要以韌窩為主,斷裂形式為韌性斷裂。
斷口進行能譜分析,斷口呈月牙狀區域中有鋅成分存在,而非月牙狀區域沒有檢測到鋅成分,說明斷口的月牙狀區域在表面處理前已存在,鍍鋅時鍍鋅溶液深入裂紋內,未清洗干凈成為一層致密的小顆粒狀附著在裂紋面上。
該裂紋產生于表面處理前,裂紋的產生有3種情況:原材料裂紋?頭部成型裂紋?淬火裂紋?
原材料裂紋絕大多數都為縱向裂紋,個別橫向裂紋出現在原材料的料頭,有橫向裂紋的材料,投產后裂紋應出現在產品的任意部分,而不是在頭桿處。該螺栓橫向裂紋只出現在頭桿處,可排除原材料裂紋因素。
螺栓為冷鐓頭部成型,冷鐓頭部成型的裂紋基本上發生于頭部,頭部邊沿裂紋、頭部開裂等,頭部成型時不會在頭桿處形成橫向裂紋,也可排除冷鐓頭部成型在頭桿處形成橫向裂紋的因素。
該螺栓為薄頭螺栓,由于頭部厚度小,造成頭部變形較大,較大的變形使頭桿處殘余應力增大;頭桿處又是螺栓的應力集中處,在淬火冷卻時容易形成淬火裂紋。
該裂紋為橫向裂紋,并產生于螺栓應力集中的頭桿處,判定為淬火裂紋。由于該螺栓存在橫向的淬火裂紋,而且橫向淬裂紋較深,使得螺栓抗拉強度下降,導致安裝時,在不大的安裝應力作用下螺栓發生斷裂失效。
結論與啟示
(1)由于該螺栓存在淬火裂紋,使得螺栓抗拉強度下降,導致安裝時在不大的安裝應力作用下螺栓發生斷裂失效。
(2)頭部變形較大的螺栓,頭桿處殘余應力增大,頭桿處又是應力集中處,在淬火冷卻時容易形成淬火裂紋。因此,建議在熱處理前增加一次去應力退火,消除加工的殘余應力,防止在熱處理過程中應力集中處生產淬火裂紋。






浙公網安備 33042402000106號 a>

