六角頭螺栓斷口形貌低倍組織分析
10.9級六角頭螺栓,規格為M24×240,材料為35CrMo鋼,表面涂達克羅。裝配時均在螺紋處斷裂。
15.3.1 試驗過程與結果
取3件斷裂件進行觀察與分析,編號為1#,2#,3#的斷裂件,宏觀形貌見圖15-11。
3件斷裂件的斷裂位置均在螺紋部分,斷口形貌基本相同,斷口有明顯扭轉塑性變形特征,斷裂面與螺栓軸向垂直。斷裂面外周斷口較平滑,斷裂面中心部分斷口呈纖維狀,斷口具有扭轉斷裂斷口特征,斷口宏觀形貌見圖15-12。

圖15-11 3件斷裂件宏觀形貌 圖15-12 斷口宏觀形貌
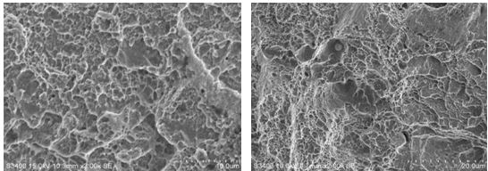
掃描電鏡對斷口進行觀察,發現斷口斷裂面外周和中心部分均為塑性韌窩形貌,且有明顯方向性;斷口心部韌窩較大,見圖15-13,斷口外周韌窩較為細小,見圖15-14。

圖15-13 心部韌窩形貌 圖15-14斷口外周韌窩形貌
用光譜法對3件斷裂螺栓進行化學成分分析,分析結果,3件斷裂螺栓的各元素成分含量基本相同,均符合35CrMo鋼的標準要求。
對3件斷裂件表面硬度和心部硬度試驗檢測,檢測結果3件斷裂件的表面硬度和心部硬度基本相同:表面硬度352~359 HV0.3;心部硬度342~346 HV10,均符合《ISO898.1-1999》要求。
取一件斷裂件進行低倍組織檢查,按《GB/T1979-2001》標準進行低倍組織缺陷評級,為中心疏松1級,見圖15-15。
取一件斷裂件進行金相組織檢查,螺栓斷口附近區域金相組織為回火索氏體組織 ,圖15=16。

圖15-15 中心疏松1級 圖15-16 回火索氏體
取一件斷裂件進行化學成分分析,成分分析結果,化學成分符合35CrMo鋼的標準要求。
15.3.2 分析與討論
該批斷裂螺栓的失效形式和斷口形貌特征基本相同,其低倍組織,化學成分、金相組織、硬度等的檢測結果均符合要求,表明斷裂螺栓的熱處理工藝和材料正常,螺栓的斷裂與螺栓的熱處理工藝和材料無關。
斷裂螺栓的宏觀形貌和斷口掃描顯示,整個斷口形貌均為韌性扭轉斷裂,且斷口韌窩具有明顯的方向性,具有典型扭轉斷裂特征,斷口為扭轉斷口,表明該螺栓在裝配時,由于裝配扭轉力過大造成螺栓斷裂。
15.3.3 結論與啟示
(1) 螺栓斷裂主要是由裝配應力過大造成螺栓斷裂失效。
(2) 在安裝時要控制好安裝應力,防止安裝應力過大造成扭轉斷裂。
(3) 制定合適的安裝工藝,安裝時采用限力扳手安裝。






浙公網安備 33042402000106號 a>

