六角螺栓疲勞斷裂分析
六角頭螺栓,規格M20×120mm,性能等級為8.8級,材料40Cr鋼,表面經熱鍍鋅處理,螺栓安裝后,在服役了一段時間后出現斷裂。
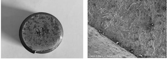
螺栓斷裂件外觀見圖11-38,斷裂位置為桿部與螺紋結合處的螺紋部分,斷口附近螺紋和桿部無明顯表面損傷痕跡。
圖11-38斷裂螺栓樣品
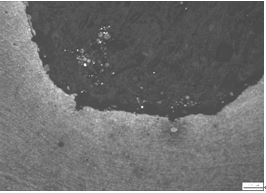
斷口宏觀分析:整個斷面上有較多銹斑,斷裂起源于一側的螺紋牙底(圖11-39),向對面一側擴展;疲勞源區可見多條明顯的疲勞臺階,源區附近的斷口表面平坦、光滑、細密,疲勞擴展區斷面粗糙;整個斷口可見大量疲勞條帶,從疲勞條帶位置和區域判斷,斷口上的瞬斷區面積較小。
在掃描電鏡下對斷口進行微觀觀察,疲勞源區的形貌可見較多臺階(圖11-40箭頭所指),裂紋源區有多條放射狀臺階條紋(圖11-40箭頭所指為裂紋擴展方向),表明裂源區存在著多個裂紋源,這些裂紋源均始于螺紋牙底。
在疲勞擴展區可看到疲勞條帶,擴展區形貌為解理斷裂形貌(圖11-41)。
斷面中心區域有較多孔洞(圖11-42)。
圖11-39 斷口宏觀形貌 圖11-40 裂紋源多條放射狀條紋
圖11-41 擴展區解理形貌 圖11-42 中心區域孔洞
對斷面化學元素進行能譜分析,在疲勞源和疲勞擴展區均未發現腐蝕性元素。
用光譜法對斷口附近材料進行化學成分檢測,表明螺栓材料成分符合《GB/T 3077-1999》標準中關于40Cr鋼化學成分的要求,
對斷口附近橫截面進行低倍缺陷分析,按照GB/T1979-2001標準進行評級,可評為中心疏松2級(圖11-43)。
經檢測顯示斷口附近螺栓的心部組織為正常回火索氏體(圖11-44),表面有脫碳現象,但經檢測該脫碳層深度符合GB/T3098.1-2000標準要求。沿斷口縱向制取試樣,對斷口附近螺紋形貌進行觀察,發現螺紋牙底存在微裂紋,裂紋位于牙底的脫碳區域,裂紋兩側無氧化現象(圖11-45)。
圖11-43 2級中心疏松 圖11-44 回火索氏體組織
圖11-45螺紋根部脫碳及微裂紋
在斷口附近進行硬度檢測,螺栓表面硬度和心部硬度均符合《GB/T 3098.1 -2000》標準要求。
表面硬度(HV0.3) 256/258/256,心部硬度(HV10) 305/304/297
表面硬度比心部硬度低約50HV。
經檢測顯示螺栓的化學成分、顯微組織和心部硬度正常。
螺紋牙底存在微裂紋,裂紋位于牙底的脫碳區域,裂紋兩側無氧化現象,說明微裂紋是在受到應力的作用時形成的,但反應出該螺栓在受到應力的作用時,在螺紋牙底容易形成微裂紋,可以判定該裂紋是在長期服役條件下由于表面脫碳和應力集中萌生的裂紋斷面中心區域的孔洞是原材料本身的低倍缺陷。螺栓表面存在脫碳,中心存在疏松,使螺栓強度降低。螺栓斷裂屬疲勞斷裂,從疲勞擴展區和瞬斷區的面積看,疲勞擴展區面積大于整個斷口面積的90%,斷口上疲勞條帶細密,并且可見大量的疲勞條帶,說明螺栓在工作應力下裂紋擴展充分,名義應力較低,螺栓疲勞屬低應力高周疲勞;裂紋源區有多條臺階條紋,說明裂源區存在應力集中。當表面存在缺陷時就可能產生應力集中而形成臺階條紋,且出現多源疲勞。通過斷口分析和金相分析,均表明疲勞裂紋起源于牙紋底脫碳區域,在應力作用下產生并檢測到多處疲勞源和裂紋。
該螺栓表面存在脫碳現象,脫碳導致螺栓表面硬度下降,降低了螺栓的疲勞強度。另外,螺栓在長期的交變應力作用下,螺栓表面強度較低而又是應力集中的地方就往往會成為裂紋的萌發源。且螺紋牙底處本身就應力較為集中,在螺栓的長期服役條件下,由于脫碳導致的此處疲勞強度的降低最終使得根部成為疲勞源,并形成多源的疲勞裂紋,最后疲勞斷裂。
根據以上分析,可以得出如下結論與啟示:
(1) 螺栓的斷裂為疲勞斷裂。
(2) 由于脫碳導致疲勞強度的降低,其螺紋牙底處為應力集中的地方成為疲勞源,在長期的交變應力作用下形成多源的疲勞裂紋,最后疲勞斷裂。
(3) 螺栓的加工工藝過程要保證滿足技術質量的要求,防止脫碳。
(4) 加強螺栓的原材料檢查,保證原材料滿足技術質量的要求。






浙公網安備 33042402000106號 a>

