六角電鍍螺栓斷裂失效分析
六角電鍍螺栓,規格為M8×12,性能等級為8.8級,材質為SWRCH35K. 表面電鍍黃鋅。
在安裝時發生斷裂,對2件斷裂螺栓及部分未斷裂螺栓進行分析。
13.3.1 試驗過程與結果
對斷裂件和同批完好件進行目視檢查:該批螺栓為全螺紋螺栓,未斷裂螺栓上的裂紋均為橫向裂紋,多位于螺紋底部,個別在頭下。
位于頭下圓角處的裂紋,沿頭下圓角橫向分布,見圖13-19。
對斷裂件進行目視檢查:斷口起裂位置位于頭下螺紋收尾的第一螺紋牙底,見圖13-20。
斷口正面形貌觀察:斷口斷面右側有一圓弧形區域,表面銹蝕嚴重,該區域約占整個斷面面積的二分之一;斷面左側為一斜斷面,斜斷面為金屬本色,見圖13-21。
斷面掃描電鏡觀察,可見圓弧斷面與斜斷面之間存在明顯的反差,圓弧斷面表面氧化嚴重,顏色較深,而斜斷面為新鮮斷口,顏色較淺,見圖13-22。
圖13-19 未斷裂螺栓表面裂紋
圖13-20 斷裂螺栓斷口形貌
圖13-21 斷口放大形貌
圖13-22斷面掃描電鏡照片
斷面的掃描能譜分析,圓弧斷面氧含量較高且外側距邊緣1mm內有較多的鋅,見圖13-23。
斷面圓弧區微觀可見其表面氧化嚴重,見圖13-24。
圖13-23 斷面能譜分析 圖13-24 斷面圓弧區微觀形貌
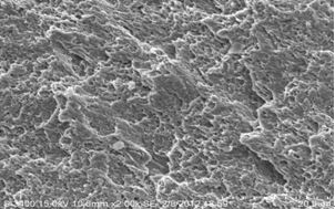
斜斷面表面微觀可見拋物線形韌窩,并呈螺旋分布,推斷該螺栓是在扭轉載荷下發生斷裂,見圖13-25。
圖13-25 斜斷面表面微觀形貌
把同批未斷裂但螺紋底部有橫向裂紋的螺栓,進行金相檢查,螺紋底部的橫向裂紋走勢剛勁,尾端尖細,兩側碳勢正常,見圖13-26。
圖13-26 螺紋底部橫向裂紋形貌
斷裂螺栓化學分析,用直讀光譜法對螺栓進行化學成分分析,其化學成分符合JIS G3507.1-2005標準中SWRCH35K鋼的要求。
對斷裂螺栓進行表面硬度梯度及心部硬度檢測,檢測結果為265~292 HV10,螺栓硬度在標準規定范圍之內。
對斷裂螺栓進行金相組織檢查,金相組織為回火索氏體,見圖13-27。
圖13-27 螺栓金相組織
13.3.3 分析與討論
螺栓斷口分為兩個區域,其中一個區域的弧形斷面氧化嚴重,且邊緣有電鍍時滲入的鋅,鋅應來源于電鍍過程,由此可推斷在電鍍前該處已有裂紋。
另外,在同批送檢的未斷裂螺栓上也發現橫向裂紋,分別位于頭下或牙底,裂紋走勢剛勁,尾端尖細,兩側碳勢正常,可確定為淬火裂紋。
該批故障螺栓的斷裂和裂紋,都出現在螺栓應力集中的頭下或牙底,這反映了裂紋與斷裂都出現在螺栓的特定部位,與材料無關,也與加工和成型無關,主要與熱處理的冷卻有關。如果螺栓淬火時冷卻過快,就會在應力集中的頭下或牙底產生淬火裂紋。
該批故障螺栓為全螺紋,螺紋成型后,螺栓頭下的應力集中大于牙底應力集中,淬火時形成的裂紋,頭下裂紋比螺紋牙底裂紋深,在安裝應力作用下,螺栓在頭下斷裂,螺紋牙底裂紋擴大。
由于螺栓頭下淬火裂紋較深,使得螺栓的有效承載面積顯著降低,其強度降低。滿足不了螺栓安裝要求。當安裝扭矩稍大一點(超過其承載強度)時,螺栓便發生扭轉斷裂。
另外,螺栓螺紋牙底淬火裂紋較淺,有效承載面積降低不多,在安裝扭矩作用下時,裂紋擴展但未斷裂。
13.3.3 結論與啟示
(1)由于螺栓存在淬火裂紋,在安裝扭轉載荷作用下發生斷裂。
(2)由于螺栓頭下和牙底存在應力集中,在熱處理淬火冷卻時,冷卻過快使應力集中處形成淬火裂紋
(3)防止螺栓產生淬火裂紋,熱處理淬火前采用去應力退火,或在淬火時控制淬火冷卻速度。





浙公網安備 33042402000106號 a>

