鋁合金緊固件金相工藝分析試驗
7C04鋁合金緊固件
圖6-55 7C04鋁合金抽釘實物形貌 圖6-56 7C04鋁合金抽釘半成品金相組織100×
(1)7C04鋁合金抽釘半成品,見圖6-55 。
(2)7C04鋁合金抽釘半成品金相組織 (未熱處理),見圖6-56
2A01鋁合金鉚釘
(1) 2A01鋁合金鉚釘半成品與成品,見圖6-57
圖6-57 鉚釘形貌實物形貌
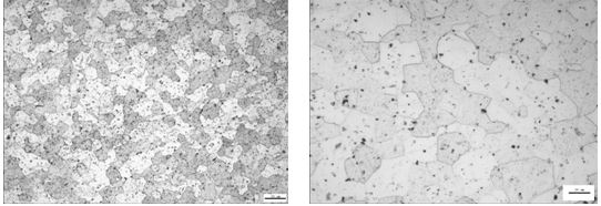
(2) 2A01鋁合金鉚釘半成品金相組織
2A01鋁合金鉚釘半成品金相組織,見圖6-58。
a 100× b 200×
圖6-58 2A01鋁合金鉚釘半成品的金相組織
(3)2A01鋁合金鉚釘成品金相組織與熱處理工藝
2A01鋁合金鉚釘成品金相組織,見圖6-59。
a 200× b 500×
圖6-59 2A01鋁合金鉚釘成品的金相組織
2A01鋁合金鉚釘成品熱處理工藝:
固溶:鋁合金淬火爐 498℃ 45min
時效:自然時效 96h
6.4.3 2A01鋁合金空心鉚釘
(1) 2A01鋁合金空心鉚釘,實物形貌見圖6-60
圖6-60 空心鉚釘實物形貌
(2) 2A01鋁合金空心鉚釘成品金相組織與熱處理工藝
2A01鋁合金空心鉚釘成品金相組織,見圖6-61。
a 100× b 200×
圖6-61 2A01鋁合金空心鉚釘成品的金相組織
2A01鋁合金鉚釘成品的熱處理工藝:
固溶:鋁合金淬火爐 498℃ 45min
時效:自然時效 96 h
高強鋁合金7075螺栓
(1) 高強鋁合金7075螺栓半成品,實物形貌見圖6-62

圖6-62 螺栓形貌實物形貌 圖6-63 7075螺栓半成品未熱處理金相組織
(2) 高強鋁合金7075螺栓半成品金相組織,見圖6-63。
6.4.5 鋁合金2A10鉚釘
(1)鋁合金2A10鉚釘成品,見圖6-64
圖6-64 鉚釘成品實物形貌
(2) 鋁合金2A10鉚釘成品金相組織,見圖6-65。
a 200× b 500×
圖6-65 2A10鉚釘成品熱處理的金相組織
2A01鋁合金鉚釘成品的熱處理工藝:固溶:鋁合金淬火爐 498℃ 45min
時效:自然時效 96 h
鋁合金2A10高鎖螺母
(1) 鋁合金2A10高鎖螺母,實物形貌見圖6-66。
圖6-66 高鎖螺母實物形貌
(2)鋁合金2A10高鎖螺母成品金相組織,見圖6-67。
a 200× b 500×
圖6-67 2A10高鎖螺母成品熱處理的金相組織
2A01鋁合金鉚釘熱處理工藝:固溶:鋁合金淬火爐 498℃ 45min
時效:自然時效 96 h
鋁合金2A10高鎖螺母、2A09套管
(1) 鋁合金2A10高鎖螺母與2A09套管半成品形貌見圖6-68。
圖6-68 高鎖螺母、套管形貌實物形貌
(2) 2A10高鎖螺母套管的半成品金相組織,分別見圖6-69和圖6-70。
圖6-69 2A10高鎖螺母半成品金相組織 圖6-70 2A09套管半成品金相組織






浙公網安備 33042402000106號 a>

