鋁合金高鎖螺母金相分析
鋁合金2A10高鎖螺母
(1) 鋁合金2A10高鎖螺母,實物形貌見圖6-66。
圖6-66 高鎖螺母實物形貌
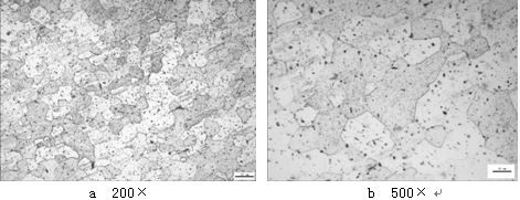
(2)鋁合金2A10高鎖螺母成品金相組織,見圖6-67。
圖6-67 2A10高鎖螺母成品熱處理的金相組織
2A01鋁合金鉚釘熱處理工藝:固溶:鋁合金淬火爐 498℃ 45min
時效:自然時效 96 h

下一篇:高鎖螺母套管金相分析
上一篇:鋁合金2A10鉚釘金相檢測分析





浙公網安備 33042402000106號 a>

