機械加工螺母裂紋失效分析
六方薄螺母,規格為фL14,材料牌號1Cr11Ni2W2MoV,在裝機時發現部分螺母表面有裂紋,裂紋沿螺母外緣六角棱角處貫通螺母兩端面及內孔,呈開裂狀。
16.11.1 試驗過程與結果
故障批螺母為機械加工螺母。
加工工藝如下:單軸自動機→六角→ 锪孔→ 去毛刺→粗振→ 熱處理(硬度d=3.4~3.7) Ⅳ類檢驗→吹砂→攻螺紋→探傷→鍍銅(3~5μm)→終檢
加工工藝和加工過程,經復查無異常情況。
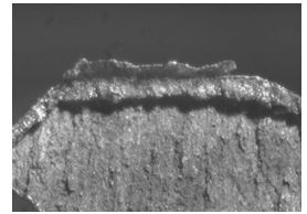
裂紋螺母外觀均為鍍銅表面,除裂紋外未發現異常現象。裂紋分布在螺母六方棱角處,為穿透裂紋,示意如圖16-63。
圖16-63 裂紋形貌示意圖
由于螺母已完全裂開,把1件故障件順裂紋方向,手工分開為兩部分,得到兩件斷口試樣。
對兩件斷口試樣目視檢查,兩件斷口的裂紋表面均被鍍銅層復蓋。裂紋無明顯的裂紋源,裂紋縱向擴展,并裂透螺母壁厚,低倍形貌見圖16-64。其中一件斷口裂紋處的上下端面有明顯的擠入物,擠入物與裂紋面形成小臺階,見圖16-65、圖16-66。
圖16-66 裂紋的低倍形貌
取1件斷口試樣按正常的表面處理退銅工藝進行退銅,另一件未退。對退銅和未退銅的斷口掃描電鏡觀察:兩斷口表面均無塑性變形,裂紋發展方向沿螺母軸線方向擴展。
未退銅的斷口,整個裂紋表面復蓋有鍍銅層,宏觀無夾雜、疏松等冶金缺陷,裂紋兩端面有明顯的擠入物形成臺階,見圖16-71。
裂紋兩端面,明顯的擠入物形成臺階的高倍形貌,見圖10、圖11。
裂紋中心鍍銅層掃描電鏡組織形貌,見圖13;
裂紋邊緣部位鍍銅層掃描電鏡組織形貌,見圖14
圖9裂紋兩端面有明顯的擠入物
圖9裂紋兩端面有明顯的擠入物
把裂紋另一半去除鍍銅層后不腐蝕觀察,裂紋處宏觀無夾雜、疏松等冶金缺陷,裂紋縱向裂紋無塑性變形痕跡,縱向兩端面處無擠入物,見圖17。
去除鍍銅層的裂紋中心部位和裂紋邊緣部位,高、低倍電鏡掃描組織,見圖18、圖19、圖20、圖21。
圖17 去除鍍銅層的裂紋形貌





浙公網安備 33042402000106號 a>

