常見鋼制緊固件螺栓金相分析
常用緊固件螺栓常用原材料主要為碳鋼和結構鋼,為了滿足緊固件的成型和加工,要求碳鋼和結構鋼的強度和硬度在一定的工藝范圍內。
為了滿足緊固件的工藝要求,碳鋼和結構鋼原材料采用正火、退火、球化退火,其中的一種熱處理方法進行處理。
正火處理后的金相組織為鐵素體+片狀珠光體;
退火處理后的金相組織為鐵素體+珠光體;
球化退火處理后的金相組織為鐵素體+粒狀珠光體或鐵素體+球狀珠光體。
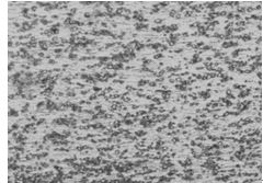
(1) 25鋼原材料正火態金相組織為鐵素體+片狀珠光體, 見圖5-67(a,b)。
a 100× b 400×
圖5-67 25鋼原材料正火態金相組織
(3) 35鋼原材料退火態金相組織為鐵素體+珠光體, 見圖5-68。
圖5-68 35鋼原材料正火態金相組織 100×
(4) 35鋼原材料球化退火態金相組織為鐵素體+球狀珠光體,見圖5-69。
圖5-69 35鋼原材料球化退火態金相組織 400×
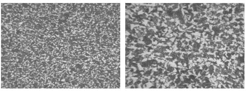
(5) 45鋼原材料正火態金相組織為鐵素體+片狀珠光體,,見圖5-70(a,b)。
a 100× b 400×
圖5-70 45鋼原材料正火態金相組織






浙公網安備 33042402000106號 a>

