12.9級內六角圓柱頭螺釘,規格為M4×12,材料SCM435鋼,表面鍍黑鋅。
在安裝時內六角圓柱螺釘在頭桿處斷裂。
15.1.1 試驗過程與結果
斷裂件檢查,螺釘在頭桿處斷裂,斷裂件桿部見圖15-1;斷裂件頭部斷口,呈扭轉塑性斷裂特征,箭頭所指為最后扭斷區,見圖15-2。

圖15-1 斷裂件桿部形貌 圖15-2 頭部斷口宏觀形貌
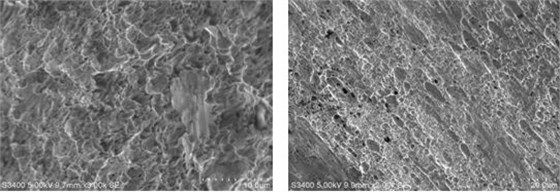
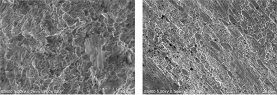
掃描電鏡對斷口進行觀察,整個斷口形貌均為韌窩塑性斷裂形貌,且韌窩具有明顯的方向性,韌窩延展方向均指向斷裂源位置,見圖15-3、圖15-4。

圖15-3 韌窩斷口 圖15-4 方向性明顯的韌窩
斷裂件化學成分分析,成分分析結果符合SCM435鋼材料的要求。
斷裂件心部硬度試驗,標準規定心部硬度385~435HV10,硬度試驗結果為,431~428 HV10,符合《ISO898.1-1999》標準要求,
斷裂件進行金相檢查,從斷口附近截取金相樣品,制樣后觀察,組織為調質處理的回火索氏體組織,見圖15-5。

圖15-5 回火索氏體
15.1.2 分析與討論
斷裂件的化學成分分析、心部硬度、金相組織符合技術要求。表明斷裂件的材料合格,熱處理工藝正常。
斷裂件的整個斷口形貌均為韌性延展斷裂,且斷口韌窩具有明顯的方向性,為扭轉斷裂特征。
該M4小螺釘在安裝是由于安裝過載,使螺釘扭轉斷裂失效。
15.1.3 結論與啟示
(1)該螺釘斷裂失效是由于安裝過載,使螺釘扭轉斷裂失效。
(2)小螺釘在安裝時要控制好安裝應力,防止安裝應力過大造成螺釘扭轉斷裂。


