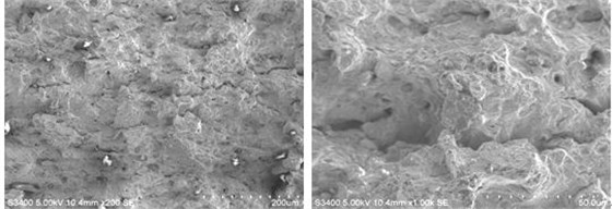
(1) 42CrMo鋼輪轂固定螺栓疲勞斷口形貌
42CrMo鋼輪轂固定螺栓,服役一段時間后在桿部螺紋收尾處斷裂,斷口邊緣有塑性變形痕跡,斷面有疲勞弧線,擴展區可見犁溝狀擠壓磨損痕跡及疲勞條帶,并伴有二次裂紋,屬疲勞斷裂,斷口形貌見圖9-1和圖9-2。
圖9-1斷面海灘花樣 圖9-2 斷面疲勞條帶
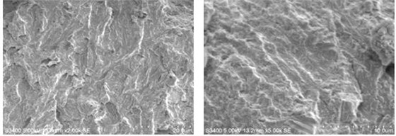
(2)42CrMo雙頭螺栓疲勞斷口形貌
42CrMo鋼六角頭螺栓服役一段時間后在頭桿部開裂, 斷面平整光亮,呈金屬本色,未見明顯塑性變形,斷面可見明顯疲勞弧線。疲勞擴展區放大后可見一系列輪胎印狀疲勞條帶,并伴有二次裂紋。疲勞斷口掃描電鏡微觀形貌,見圖9-3和圖9-4,宏觀形貌見圖9-5。
圖9-3 疲勞條帶及二次開裂 圖9-4 快速擴展區輪胎印狀形貌
圖9-5 斷口宏觀形貌
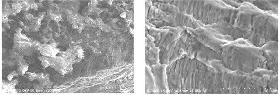
(3) 35CrMo鋼六角頭固定螺栓疲勞斷口形貌
六角頭固定螺栓在服役一段時間后斷裂,斷口無明顯宏觀塑性變形,斷面平坦,有清晰的疲勞弧線,微觀可見典型的疲勞條帶,該斷口為典型的疲勞斷口,見圖9-6和圖9-7。
圖9-6疲勞裂紋擴展區疲勞弧線 圖9-7 疲勞裂紋擴展區疲勞條帶
(4)42CrMo鋼六角頭螺栓疲勞斷口形貌
螺栓安裝使用一段時間后在頭桿部結合部斷裂,斷口無明顯宏觀塑性變形,有明顯的疲勞源區、疲勞擴展區和最終斷裂區。疲勞擴展區有明顯的疲勞條帶和二次裂紋,說明在交變載荷作用下裂紋不斷擴展最終導致疲勞斷裂。疲勞斷口電鏡形貌見圖9-8、圖9-9、圖9-10和圖9-11。
圖9-8 疲勞源微觀形貌 圖9-9擴展區疲勞條帶
圖9-10 疲勞條帶放大像 圖9-11 最終斷裂區韌窩形貌
(5)42CrMo鋼雙頭螺柱疲勞斷口形貌
雙頭螺柱在安裝運行一段時間后斷裂,斷面可見大量細密疲勞條帶,條帶細密,瞬斷區呈撕裂韌窩,其中可見較多夾雜物顆粒和顯微空洞,疲勞裂紋擴展充分,斷口形貌見圖9-12、圖9-13和圖9-14。
圖9-12疲勞條帶與疲勞輝紋
圖9-13 瞬斷區低倍形貌 圖9-14 瞬斷區高倍韌窩形貌
(6)40Cr鋼六角頭螺栓疲勞斷口形貌
螺栓服役一段時間后在頭部與桿部結合處斷裂,斷口無表面損傷痕跡,源區附近斷口表面平坦光滑細密,裂紋源區有多條放射狀裂紋,表明裂源區存在多個裂紋源;疲勞擴展區斷面粗糙,疲勞條帶不太明顯,可見多處顯微空洞及夾雜物。在長期的交變應力作用下,螺栓應力集中的頭桿結合處成為裂紋的萌發源,最后形成多源的疲勞斷裂,斷口掃描電鏡形貌見圖9-15和圖9-16。
圖9-15 疲勞源處有多條裂紋 圖 9-16 疲勞擴展區形貌
(7) 40Cr鋼輪轂螺栓疲勞斷口形貌
40Cr鋼汽車輪轂螺栓在運行過程中突然斷裂,斷口無明顯塑性變形,未發現低倍缺陷及夾雜物,斷面平坦、光滑、細密,整個斷口分為瞬斷區、擴展區和斷裂源三個區域。
宏觀低倍疲勞弧線,擴展區可見明顯的連續平行的疲勞條帶、二次裂紋,螺栓斷裂性質為疲勞斷裂。斷口掃描電鏡形貌見圖9-17、圖9-18和圖9-19。
圖9-17 疲勞弧線
圖9-18 擴展區二次裂紋 圖9-19疲勞擴展區疲勞條帶
(8) 高溫合金螺樁疲勞斷口形貌
GH2696高溫合金螺樁在振動試驗過程中發生斷裂,斷裂部位在螺紋根部,斷口基本平齊,可見閃光小刻面,斷裂起源于螺紋牙底,源區表面可見斷續網狀裂紋。掃描觀察,源區和擴展區可見明顯的疲勞弧線,斷面上出現晶間開裂和解理特征,斷口為疲勞斷口。
斷裂處螺紋根部的裂紋宏觀形貌見圖9-20,斷口掃描電鏡形貌見圖9-21和圖9-22。
圖9-20 源區螺紋根部裂紋宏觀形貌
圖9-21 疲勞源區形貌 圖9-22 疲勞擴展區形貌
(9)45鋼驅動軸疲勞斷口微觀形貌
45鋼驅動軸斷口有明顯的疲勞弧線與疲勞條帶,斷口掃描電鏡形貌見圖9-23。
圖9-23 疲勞條帶
(10)35鋼螺栓疲勞斷口微觀形貌
35鋼螺栓斷口有明顯的疲勞弧線與疲勞條帶,斷口掃描電鏡形貌見圖9-24。
圖9-24 疲勞條帶
(11)20鋼拉桿螺栓疲勞斷口形貌
拉桿螺栓工作一段時間后,在螺紋退刀槽底部斷裂,斷口顯微形貌粗糙,顯示軋制時心部疏松沒有壓實,擴展區有向外發散的海灘花樣,呈疲勞斷裂特征,疲勞裂紋由內向外擴展。靠近槽口位置,海灘花樣面積較大,間距較寬,拉桿螺栓在服役過程中受到拉壓交變載荷,微裂紋在交變載荷作用下不斷擴展,拉桿螺栓發生失穩疲勞斷裂,見圖9-25和圖9-36。
圖 9-25 疲勞源區電鏡形貌圖 9-26 疲勞擴展區疲勞條帶
(12)SAE9254鋼彈簧疲勞斷口形貌
SAE9254鋼彈簧在服役約200小時后斷裂,表面出現明顯銹蝕。對彈簧斷口進行掃描電鏡觀察,其微觀形貌可見明顯的疲勞弧線,呈疲勞斷裂特征,疲勞弧線收斂處即為疲勞源區,見圖中箭頭處所示。斷裂彈簧宏觀形貌見圖9-27,斷口電鏡低倍形貌見圖9-28 ,高倍微觀形貌見圖9-29。
圖9-27 彈簧斷裂宏觀形貌
圖9-28 彈簧斷口低倍形貌 圖9-29 斷口疲勞源區及擴展區形貌



