用于固定風力發電機葉片法蘭盤的10.9級雙頭螺栓,材料為42CrMo鋼,表面達克羅涂層,該螺栓服役過程中斷裂。
雙頭故障螺栓,斷裂位置位于頭桿結合部,如圖11-73。
圖11-73 斷裂螺栓殘件宏觀形貌
故障螺栓的斷口宏觀形貌,見圖11-74,斷面下半部平整光亮,有金屬本色,未見明顯塑性變形,斷面可見明顯疲勞條帶,疲勞起源于斷面下部邊緣,疲勞條帶擴展面積約占整個斷面的30%。斷口面的上半部較粗糙,為裂紋快速擴展區,呈灰色;上部邊緣為最終瞬斷剪切唇,斷面快速擴展區與剪切唇面積之和大約占斷面面積的70%。由此推斷螺栓斷裂時承受的應力較大。
圖11-75所示為螺栓斷口附近桿部的側面形貌,可見表面存在較嚴重的損傷銹蝕現象,該區域位于圖11-80的右面疲勞起源處的外側。
圖11-76為疲勞弧線在體顯微鏡下的特征,可見斷面邊緣的疲勞弧線在向內擴展的過程中逐漸結合成一個大圓弧。
圖11-74斷口宏觀形貌
圖11-75 桿部斷口側面損傷銹蝕宏觀形貌 圖11-76 桿部斷口疲勞弧線形貌
采用掃描電鏡觀察斷口的微觀形貌,可見疲勞源區域存在磨損疤痕,未發現夾雜和冶金缺陷,見圖11-77;圖11-78所示為疲勞擴展區放大后的形貌,可見一系列輪胎印狀疲勞條帶并伴有二次裂紋存在。
圖11-77 疲勞源形貌 圖11-78疲勞條帶及二次裂紋
圖11-79所示為裂紋快速擴展區,表現為解理形貌;圖11-80為最終斷裂的剪切唇區域的顯微形貌,可見一系列較淺的等軸韌窩。
圖11-79快速擴展區形貌 圖11-80最終斷裂區韌窩形貌
金相檢查,在斷口附近截取試塊制成金相試樣,金相觀察,螺栓組織為均勻回火索氏體,如圖11-81。
圖11-81 斷口附近顯微組織
力學性能檢測,分別取斷裂螺栓殘件的螺紋及螺栓部分加工成拉伸試樣和沖擊樣進行試驗,檢測結果表明螺栓的各項性能均符合《GB/T 3098.1-2000》要求。檢測結果見表11-2。
表11-2 螺栓力學性能
項目 抗拉強度/MPa 規定非比例延伸強度RP0.2/MPa 延伸率
/% 斷面收縮率
/% 沖擊吸收功/J
測量值 1070/1060 960/955 17.5/17.5 61/60.5 44.9/44.5
標準值 ≥1040 ≥940 ≥9.0 ≥48.0 ≥20.0
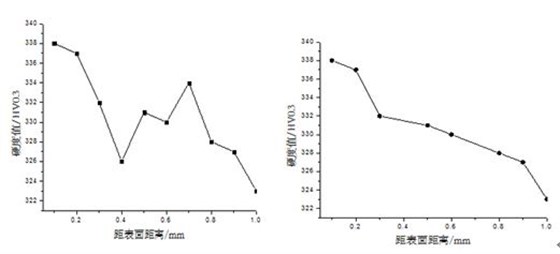
在斷口附近進行硬度梯度測試和螺栓表面、心部硬度檢測,檢測結果表明螺栓的硬度值均符合技術要求,螺栓表面硬度梯度見圖11-82;心部硬度梯度見圖11-83。
圖11-82 螺栓表面硬度梯度 圖11-83 螺栓心部硬度梯度
用直讀光譜法對螺栓的化學成分進行分析,按《GB/T 3077-1999》標準判定,材料為42CrMo鋼。
螺栓的顯微組織、硬度及力學性能指標均符合技術要求。
從螺栓斷口宏觀和微觀分析,螺栓斷口為疲勞斷口,疲勞源位于斷口邊緣部位,該處有明顯損傷痕跡,結合現場安裝情況分析認為,安裝時葉片螺栓安裝孔未能與輪轂安裝孔同心,導致螺栓桿部受輪轂切面磨損,并使螺栓受到剪應力作用,并在此處產生應力集中萌發微裂紋,在交變載荷的作用下,裂紋不斷擴展,最終導致螺栓疲勞斷裂。
根據以上分析,可以得出如下結論與啟示:
(1)螺栓的斷裂是疲勞斷裂;
(2)引起螺栓斷裂的原因是安裝時螺栓安裝孔與輪轂安裝孔未能同心,螺栓桿部受輪轂切面磕碰損傷形成疲勞源,螺栓在交變應力下發生疲勞斷裂。
(3)安裝葉片螺栓時,注意安裝孔應與輪轂安裝孔同心,避免螺栓桿部受到損傷和剪應力作用。
(3)安裝葉片螺栓時還要注意螺栓的表面質量,防止磕碰損傷。



