緊固件螺栓的不合格流線
高強度螺栓都要求鐓制成型,鐓制成型后的流線檢查,要求流線沿螺栓鐓制成型后的外形分布,頭下支撐面上的流線不被切斷。不合格流線見A、B、C。
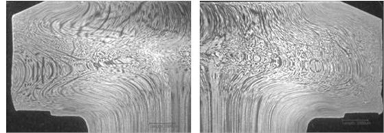
A. 40Cr螺栓頭部不合格流線形貌
螺栓成型后檢查發現,螺栓頭部流線不合格。
造成頭部流線不合格的原因是螺栓成型工藝不當。不合格頭部流線如下:六方頭左邊,頭部流線不沿外形分布,見圖 8-105;
六方頭右邊,頭部變形中心部位流線斷開不連續,見圖 8-106。
圖 8-105不合格的流線形貌 圖 8-106 不合格的流線形貌



