2020-06-11 14:44:41
42CrMo鋼高強度螺栓多相組織
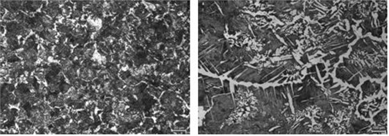
42CrMo鋼高強度螺栓熱處理操作不當,使組織成為回火索氏體+回火屈氏體+網狀和塊狀鐵素體混合組織,見圖8-31。
圖8-31 調質不當所致多相組織 圖8-32 過熱所致魏氏組織
(16) 42CrMo鋼高強度螺栓過熱組織和魏氏組織
42CrMo鋼螺栓熱處理淬火淬火加熱溫度過高,形成魏氏組織,晶粒粗大,機械性能與沖擊值降低,見圖8-32。
分享:線材拉拔斷裂缺陷分析分享:汽輪機高溫螺栓斷裂原因分享:S30408不銹鋼法蘭開裂原因分享:連桿螺栓斷裂原因分享:增材制造不銹鋼的組織和性能
高新技術企業證書國檢檢測誠招英才2020年度浙江國檢檢測技術股份有限公司固體(危險)廢物信息2021年度能力驗證計劃公告能力驗證發樣通知